大東海泵業無錫有限公司
銷售總部:江蘇無錫新吳區長江路21-1號創源大廈309
生產基地:無錫市東港鎮
銷售熱線:0510-82108358
銷售熱線:0510-82116911
聯系電話:13395114288
QQ: 2634113519


大東海泵業無錫有限公司
銷售總部:江蘇無錫新吳區長江路21-1號創源大廈309
生產基地:無錫市東港鎮
銷售熱線:0510-82108358
銷售熱線:0510-82116911
聯系電話:13395114288
QQ: 2634113519


產品概述

IHG型立式單級單吸化工泵,是在ISG技術的基礎上,自行研究開發的新一代節能、環保立式離心泵。該系列泵性能優、可靠性高、壽命長、結構合理、 外形美觀。
用途
IHG型立式單級單吸化工泵,供輸送不含固體顆粒,具有腐蝕性,粘度類似于水的液體,適用于石油、化工、冶金、電力、造紙、食口制藥等部門,使用溫度為-20℃~+105℃。
工作條件
1、吸入壓力<1.6MPa,或泵系統最高工作壓力 <1.6MPa,即泵吸入口壓力+泵揚程<1.6MPa、泵靜壓試驗壓力為2.5MPa,訂貨時請注明系統工作壓力。泵系統工作壓力大于1.6MPa時應 在訂貨時另行提出,以便在制造時泵的過流部分和聯接部分采用鑄鋼材料。
2、環境溫度<40℃,相對濕度<95%。
3、所輸送介質中固體顆粒體積含量不超過單位體積的0.1%,粒度<0.2mm。
注:如使用介質為帶有細小顆粒,請在訂貨時注明,以便廠家采用耐磨式機械密封。
產品特點
運行平穩:泵軸的絕 對同心度及葉輪優異的動靜平衡,保證平穩運行,絕無振動。
滴水不漏:不同材質的硬質合金密封,保證了不同介質輸送均無泄漏。
噪音低:兩個低噪音軸承支撐下的水泵,運轉平穩,除電機微弱聲響,基本無噪音。
故障率低:結構簡單合理,關鍵部分采用國際一流品質;配套,整機無故障工作時間大大提高。
維修方便:更換密封、軸承,簡易方便。
占地更省:出口可向左、向右、向上三個方向,便于管道布置安裝,節省空間。
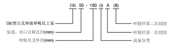
型號意義

性能參數表
| 型號 | 流量 |
揚程 (m) |
效率 (%) |
轉速 (r/min) |
電機功率 (kw) | |
| (m3/h) | (L/s) | |||||
| 15-80 |
1.1 1.5 2.0 |
0.30 0.42 0.55 |
8.5 8.0 7.0 |
26 34 34 | 2800 | 0.18 |
| 20-110 |
1.8 2.5 3.3 |
0.50 0.69 0.91 |
16.0 15.0 13.5 |
25 34 35 | 2800 | 0.37 |
| 20-125 |
1.8 2.5 3.3 |
0.50 0.69 0.91 |
21.0 20.0 18.6 |
28 35 34 | 2800 | 0.75 |
| 20-160 |
1.8 2.5 3.3 |
0.50 0.69 0.91 |
33 32 30 |
19 25 23 | 2900 | 1.5 |
| 25-110 |
2.8 4.0 5.2 |
0.78 1.11 1.44 |
16.0 15.0 13.5 |
34 42 41 | 2900 | 0.55 |
| 25-125 |
2.8 4.0 5.2 |
0.78 1.11 1.44 |
20.6 20.0 18.0 |
28 36 35 | 2900 | 0.75 |
| 25-125A |
2.5 3.6 4.6 |
0.69 1.00 1.28 |
17.0 16.0 14.4 |
29 35 31 | 2900 | 0.75 |
| 25-160 |
2.8 4.0 5.2 |
0.78 1.11 1.44 |
33 32 30 |
24 32 33 | 2900 | 1.5 |
| 25-160A |
2.6 3.7 4.9 |
0.12 1.03 1.36 |
29 28 26 |
27 31 29 | 2900 | 1.1 |
| 32-100 |
3.5 4.5 5.3 |
0.97 1.24 1.47 |
14.5 12.5 11 |
35 40 38 | 2900 | 0.55 |
| 30-125 |
3.5 5.0 6.5 |
0.97 1.39 1.80 |
22 20 18 |
40 44 42 | 2900 | 0.75 |
| 32-125A |
3.1 4.5 5.8 |
0.86 1.25 1.61 |
17.6 16.0 14.4 |
39 43 40 | 2900 | 0.55 |
| 32-160 |
4.4 6.3 8.3 |
1.22 1.75 2.32 |
33 32 30 |
40 44 42 | 2900 | 1.5 |
| 32-160A |
2.8 4.0 5.2 |
0.78 1.11 1.44 |
27 25 21 |
31 34 32 | 2900 | 1.1 |
| 32-200 |
3.1 4.5 5.8 |
0.86 1.25 1.61 |
50.5 50.0 48.0 |
28 32 30 | 2900 | 3 |
| 32-200A |
2.8 4.0 5.2 |
0.78 1.11 1.44 |
44.6 44 42.7 |
34 40 42 | 2900 | 2.2 |
| 32-160(1) |
4.4 6.3 8.3 |
1.22 1.75 2.32 |
33.2 32 30.2 |
34 40 42 | 2900 | 2.2 |
| 32-200(1) |
4.4 6.3 8.3 |
1.22 1.75 2.32 |
50.5 50.0 48.0 |
26 33 35 | 2900 | 4 |
| 40-100 |
4.4 6.3 8.3 |
1.22 1.75 2.31 |
13.2 12.5 11.3 |
48 54 53 | 2900 | 0.55 |
| 40-100A |
3.9 5.6 7.4 |
1.08 1.56 2.06 |
10.6 10.0 9.0 |
48 52 50 | 2900 | 0.37 |
| 40-125 |
4.4 6.3 8.3 |
1.22 1.75 2.31 |
21 20 18 |
41 46 43 | 2900 | 1.1 |
| 40-125A |
3.9 5.6 7.4 |
1.08 1.56 2.06 |
17.6 16 14.4 |
40 45 41 | 2900 | 0.75 |
| 40-160 |
4.4 6.3 8.3 |
1.22 1.75 2.31 |
33 32 30 |
35 40 40 | 2900 | 2.2 |
| 40-160A |
4.1 5.9 7.8 |
1.14 1.64 2.17 |
29 28 26.3 |
34 39 39 | 2900 | 1.5 |
| 40-160B |
3.8 5.5 7.2 |
1.06 1.53 2.0 |
25.5 24 22.5 |
34 38 37 | 2900 | 1.1 |
| 40-200 |
4.4 6.3 8.3 |
1.22 1.75 2.31 |
51 50 48 |
26 33 32 | 2900 | 4 |
| 40-200A |
4.1 5.9 7.8 |
1.14 1.64 2.17 |
45 44 42 |
26 31 32 | 2900 | 3 |
| 40-200B |
3.7 5.3 7.0 |
1.03 1.47 1.94 |
38 36 34.5 |
25 29 27 | 2900 | 2.2 |
| 40-250 |
4.4 6.3 8.3 |
1.22 1.75 2.31 |
82 80 74 |
24 28 28 | 2900 | 7.5 |
| 40-250A |
4.1 5.9 7.8 |
1.14 1.64 2.17 |
72 70 65 |
24 28 27 | 2900 | 5.5 |
| 40-250B |
3.8 5.5 7.0 |
1.06 1.53 1.94 |
61.5 60 56 |
23 27 26 | 2900 | 4 |
| 40-100(1) |
8.8 12.5 16.3 |
2.44 3.47 4.53 |
13.2 12.5 11.3 |
55 62 60 | 2900 | 1.1 |
| 40-100(1)A |
8.0 11.0 14.5 |
2.22 3.05 4.03 |
10.6 10.0 9.0 |
57 60 59 | 2900 | 0.75 |
| 40-125(1) |
8.8 12.5 16.3 |
2.44 3.47 4.53 |
21.2 20.0 17.8 |
49 58 57 | 2900 | 1.5 |
| 40-125(1)A |
8.0 11.0 14.5 |
2.22 3.05 4.03 |
17.0 16.0 14.0 |
53 57 55 | 2900 | 1.1 |
| 40-160(1) |
8.8 12.5 16.3 |
2.44 3.47 4.53 |
33 32 30 |
45 52 51 | 2900 | 3 |
| 40-160(1)A |
8.2 11.7 15.2 |
2.28 3.25 4.22 |
29 28 26 |
44 51 50 | 2900 | 2.2 |
| 40-160(1)B |
7.3 10.4 13.5 |
2.38 2.89 3.75 |
23 22 20.5 | 50 | 2900 | 1.5 |
| 40-200(1) |
8.8 12.5 16.3 |
2.44 3.47 4.53 |
51.2 50 48 |
38 46 46 | 2900 | 5.5 |
| 40-200(1)A |
8.3 11.7 15.3 |
2.31 3.25 4.25 |
45.0 44 42 |
37 45 45 | 2900 | 4 |
| 40-200(1)B |
7.5 10.6 13.8 |
2.08 2.94 3.83 |
37 36 34 | 44 | 2900 | 3 |
| 40-250(1) |
8.8 12.5 16.3 |
2.44 3.47 4.53 |
81.2 80 77.5 |
31 38 40 | 2900 | 11 |
| 40-250(1)A |
8.2 11.6 15.2 |
2.28 3.22 4.22 |
71.0 70 68 | 38 | 2900 | 7.5 |
| 40-250(1)B |
7.6 10.8 14 |
2.11 3.0 3.89 |
61.4 60 58 | 37 | 2900 | 5.5 |
| 40-250(1)C |
7.1 10.0 13.1 |
1.97 2.78 3.64 |
53.2 52 50.4 | 36 | 2900 | 5.5 |
| 50-100 |
8.8 12.5 16.3 |
2.44 3.47 4.53 |
13.6 12.5 11.3 |
55 62 60 | 2900 | 1.1 |
| 50-100A |
8 11 14.5 |
2.22 3.05 4.03 |
11 10 9 | 60 | 2900 | 0.75 |
| 50-125 |
8.8 12.5 16.3 |
2.44 3.74 4.53 |
21.5 20 17.8 |
49 58 57 | 2900 | 1.5 |
| 50-125A |
8 11 14.5 |
2.22 3.05 4.03 |
17 16 14 | 57 | 2900 | 1.1 |
| 50-160 |
8.8 12.5 16.3 |
2.44 3.47 4.53 |
33 32 30 |
45 52 51 | 2900 | 3 |
| 50-160A |
8.2 11.7 15.2 |
2.28 3.25 4.22 |
29 28 26 |
44 51 50 | 2900 | 2.2 |
| 50-160B |
7.3 10.4 13.5 |
2.38 2.89 3.75 |
23 22 20.5 | 50 | 2900 | 1.5 |
| 50-200 |
8.8 12.5 16.3 |
2.44 3.47 4.53 |
52 50 48 |
38 46 46 | 2900 | 5.5 |
| 50-200A |
8.3 11.7 15.3 |
2.31 3.25 4.25 |
45.8 44 42 |
37 45 45 | 2900 | 4 |
| 50-200B |
7.5 10.6 13.8 |
2.08 2.94 3.83 |
37 36 34 | 44 | 2900 | 3 |
| 50-250 |
8.8 12.5 16.3 |
2.44 3.47 4.53 |
82 80 77.5 |
29 38 40 | 2900 | 11 |
| 50-250A |
8.2 11.6 15.2 |
2.28 3.22 4.22 |
71.5 70 68 | 38 | 2900 | 75 |
| 50-250B |
7.6 10.8 14 |
2.11 3.0 3.89 |
61.4 60 58 | 37 | 2900 | 5.5 |
| 50-250C |
7.1 10.0 13.1 |
1.97 2.78 3.64 |
53.2 52 504 | 36 | 2900 | 5.5 |
| 50-100(1) |
17.5 25 32.5 |
4.86 6.94 9.03 |
13.7 12.5 10.5 |
67 69 69 | 2900 | 1.5 |
| 50-100(1)A |
15.6 22.3 29 |
4.3 6.19 8.1 |
11 10 8.4 |
65 67 68 | 2900 | 1.1 |
| 50-125(1) |
17.5 25 32.5 |
4.86 6.94 9.03 |
21.5 20 18 |
60 68 67 | 2900 | 3 |
| 50-125(1)A |
15.6 22.3 29 |
4.33 6.19 8.1 |
17 16 13.6 |
58 66 65 | 2900 | 2.2 |
| 50-160(1) |
17.5 25 32.5 |
4.68 6.94 9.03 |
34.4 32 27.5 |
54 63 60 | 2900 | 4 |
| 50-160(1)A |
16.4 23.4 30.4 |
4.56 6.5 8.44 |
30 28 24 |
54 62 59 | 2900 | 3 |
| 50-160(1)B |
15.0 21.6 28 |
4.17 6.0 7.78 |
26 24 20.6 | 28 | 2900 | 2.2 |
| 50-200(1) |
17.5 25 32.5 |
4.86 6.94 9.03 |
52.7 50 45.5 |
49 58 59 | 2900 | 7.5 |
| 50-200(1)A |
16.4 23.5 30.5 |
4.56 6.53 8.47 |
46.4 44 40 |
48 57 58 | 2900 | 5.5 |
| 50-200(1)B |
15.2 21.8 28.3 |
4.22 6.06 7.86 |
40 38 34.5 | 55 | 2900 | 4 |
| 50-250(1) |
17.5 25 32.5 |
4.86 6.94 9.03 |
82 80 76.5 |
39 50 52 | 2900 | 15 |
| 50-250(1)A |
16.4 23.4 30.5 |
4.56 6.5 8.47 |
71.5 70 67 |
39 50 52 | 2900 | 11 |
| 50-250(1)B |
15 21.6 28 |
4.17 6.0 7.78 |
61 60 57.4 |
38 49 54 | 2900 | 7.5 |
| 50-315(1) |
17.5 25 32.5 |
4.86 6.94 9.03 |
128 125 122 |
30 40 44 | 2900 | 30 |
| 50-315(1)A |
16.6 23.7 31 |
4.61 6.58 8.6 |
115 113 110 |
30 40 44 | 2900 | 22 |
| 50-315(1)B |
15.7 22.5 29.2 |
4.36 6.25 8.0 |
103 101 98 | 39 | 2900 | 18.5 |
| 50-315(1)C |
14.4 20.6 26.8 |
4.0 5.72 7.44 |
86 85 83 | 38 | 2900 | 15 |
| 65-100 |
17.5 25 32.5 |
4.86 6.94 9.03 |
13.7 12.5 10.5 |
67 69 69 | 2900 | 1.5 |
| 65-100A |
15.6 22.3 29 |
4.3 6.19 8.1 |
11 10 8.4 |
65 67 68 | 2900 | 1.1 |
| 65-125 |
17.5 25 32.5 |
4.86 6.94 9.03 |
21.5 20 18 |
60 68 67 | 2900 | 3 |
| 65-125A |
15.6 22.3 29 |
4.33 6.19 8.1 |
17 16 14.4 |
58 66 65 | 2900 | 2.2 |
| 65-160 |
17.5 25 32.5 |
4.86 6.94 9.03 |
34.4 32 27.5 |
54 63 60 | 2900 | 4 |
| 65-160A |
16.4 23.4 30.4 |
4.56 6.5 8.44 |
30 28 24 |
54 62 59 | 2900 | 3 |
| 65-160B |
15.0 21.6 28 |
4.17 6.0 7.78 |
26 24 20.6 | 58 | 2900 | 2.2 |
| 65-200 |
17.5 25 32.5 |
4.86 6.94 9.03 |
52.7 50 45.5 |
49 58 59 | 2900 | 7.5 |
| 65-200A |
16.4 23.5 30.5 |
4.56 6.53 8.47 |
46.4 44 40 |
48 57 58 | 2900 | 5.5 |
| 65-200B |
15.2 21.8 28.3 |
4.22 6.06 7.86 |
40 38 34.5 | 55 | 2900 | 4 |
| 65-250 |
17.5 25 32.5 |
4.86 6.94 9.03 |
82 80 76.5 |
39 50 52 | 2900 | 15 |
| 65-250A |
16.4 23.4 30.5 |
4.56 6.5 8.47 |
71.5 70 67 |
39 50 52 | 2900 | 11 |
| 65-250B |
15 21.6 28 |
4.17 6.0 7.78 |
61 60 57.4 |
38 49 54 | 2900 | 7.5 |
| 65-315 |
17.5 25 32.5 |
4.86 6.94 9.03 |
127 125 122 |
32 40 44 | 2900 | 30 |
| 65-315A |
16.6 23.7 31 |
4.61 6.58 8.6 |
115 113 110 |
32 40 44 | 2900 | 22 |
| 65-315B |
15.7 22.5 29.2 |
4.36 6.25 8.0 |
103 101 98 | 39 | 2900 | 18.5 |
| 65-315C |
14.4 20.6 26.8 |
4.0 5.72 7.44 |
86 85 83 | 38 | 2900 |
15 |
| 65-100(1) |
35 50 65 |
9.72 13.9 18.1 |
13.8 12.5 10 |
67 73 70 | 2900 | 3 |
| 65-100(1)A |
31.3 44.7 58 |
8.7 12.4 16.1 |
11 10 8 |
66 72 69 | 2900 | 2.2 |
| 65-125(1) |
35 50 65 |
9.72 13.9 18.1 |
22 20 17 |
67 72.5 70 | 2900 | 5.5 |
| 65-125(1)A |
31.5 45 58 |
8.7 12.5 16.1 |
17.5 16 13.6 |
66 71 69 | 2900 | 4 |
| 65-160(1) |
35 50 65 |
9.72 13.9 18.1 |
35 32 28 |
63 71 70 | 2900 | 7.5 |
| 65-160(1)A |
32.7 46.7 61 |
9.1 13.0 16.9 |
30.6 28 24 |
62 70 69 | 2900 | 5.5 |
| 65-160(1)B |
30.3 43.3 56.3 |
8.4 12.0 15.6 |
26 24 21 | 69 | 2900 | 4 |
| 65-200(1) |
35 50 65 |
9.72 13.9 18.1 |
53.5 50 46 |
55 67 68 | 2900 | 15 |
| 65-200(1)A |
32.8 47 61 |
9.1 13.1 16.9 |
47 44 40 |
54 66 67 | 2900 | 11 |
| 65-200(1)B |
30.5 43.5 56.6 |
8.5 12.1 15.7 |
40.6 38 33.4 | 65 | 2900 | 7.5 |
| 65-250(1) |
35 50 65 |
9.72 13.9 18.1 |
83 80 72 |
52 59 60 | 2900 | 22 |
| 65-250(1)A |
32.5 43.3 46.7 |
9.0 13.0 16.9 |
73 70 63 |
52 59 60 | 2900 | 18.5 |
| 65-250(1)B |
30 56 61 |
8.3 12.0 15.6 |
62 60 54 | 58 | 2900 | 15 |
| 65-315(1) |
35 50 65 |
9.72 13.9 18.1 |
128 125 121 |
44 54 57 | 2900 | 37 |
| 65-315(1)A |
32.5 46.5 60.5 |
9.0 12.9 16.8 |
112.6 110 106.4 |
43 54 57 | 2900 | 30 |
| 65-315(1)B |
31 44.5 58 |
8.6 12.4 16.1 |
102.5 100 98 | 53 | 2900 | 30 |
| 65-315(1)C |
29 41 53.6 |
8.1 11.4 14.9 |
87 85 83 | 51 | 2900 | 22 |
| 80-100 |
35 50 65 |
9.72 13.9 18.1 |
13.8 12.5 10 |
67 73 70 | 2900 | 3 |
| 80-100A |
31.3 44.7 58 |
8.7 12.5 16.1 |
11 10 8 |
66 72 69 | 2900 | 2.2 |
| 80-125 |
35 50 65 |
9.72 13.9 18.1 |
22 20 17 |
67 72.5 70 | 2900 | 5.5 |
| 80-125A |
31.3 45 58 |
8.7 12.5 16.1 |
17.5 16 13.6 |
66 71 69 | 2900 | 4 |
| 80-160 |
35 50 65 |
9.72 13.9 18.1 |
35 32 28 |
63 71 70 | 2900 | 7.5 |
| 80-160A |
32.7 46.7 61 |
9.1 13.0 16.9 |
30.6 28 24 |
62 70 69 | 2900 | 5.5 |
| 80-160B |
30.3 43.3 56.3 |
8.4 12.0 15.6 |
26 24 21 | 69 | 2900 | 4 |
| 80-200 |
35 50 65 |
9.72 13.9 18.1 |
53.5 50 46 |
55 67 68 | 2900 | 15 |
| 80-200A |
32.8 47 61 |
9.1 13.1 16.9 |
47 44 40 |
54 66 67 | 2900 | 11 |
| 80-200B |
30.5 43.5 56.6 |
8.5 12.1 15.7 |
40.6 38 33.4 | 65 | 2900 | 7.5 |
| 80-250 |
35 50 65 |
9.72 13.9 18.1 |
83 80 72 |
52 59 60 | 2900 | 22 |
| 80-250A |
32.5 46.7 61 |
9.0 13.0 16.9 |
73 70 63 |
52 59 60 | 2900 | 18.5 |
| 80-250B |
30 43.3 56 |
8.3 12.0 15.6 |
62 60 54 | 58 | 2900 | 15 |
| 80-315 |
35 50 65 |
9.72 13.9 18.1 |
128 125 122 |
43 54 57 | 2900 | 37 |
| 80-315A |
32.5 46.5 60.5 |
9.0 12.9 16.8 |
112.6 110 107.4 |
43 54 57 | 2900 | 30 |
| 80-315B |
31 44.5 58 |
8.6 12.4 16.1 |
102.5 100 98 | 53 | 2900 | 30 |
| 80-315C |
29 41 53.6 |
8.1 11.4 14.9 |
98 85 83 | 51 | 2900 | 22 |
| 80-350 |
35 50 65 |
9.72 13.9 18.1 |
153.6 150 142 |
55 66 67 | 2900 | 55 |
| 80-350A |
31 44.5 58 |
8.6 12.4 16.1 |
145.6 142 134.8 | 65 | 2900 | 45 |
| 80-350B |
29 41 53.6 |
8.1 11.4 14.9 |
138.6 135 127.8 | 63 | 2900 | 37 |
| 80-100(1) |
70 100 130 |
19.4 27.8 36.1 |
13.6 12.5 11 |
66 76 75 | 2900 | 5.5 |
| 80-100(1)A |
62.6 89 116 |
17.4 24.7 32.2 |
11 10 8.8 |
64 74 74 | 2900 | 4 |
| 80-125(1) |
70 100 130 |
19.4 27.8 36.1 |
23.5 20 14 |
70 76 65 | 2900 | 11 |
| 80-125(1)A |
62.6 89 116 |
17.4 24.7 32.2 |
19 16 11 |
68 74 65 | 2900 | 7.5 |
| 80-160(1) |
70 100 130 |
19.4 27.8 36.1 |
36.5 32 24 |
70 76 65 | 2900 | 15 |
| 80-160(1)A |
65.4 93.5 121.6 |
18.2 26.0 33.8 |
32 28 21 |
68 74 67 | 2900 | 11 |
| 80-160(1)B |
60.6 86.6 112.6 |
16.8 24.1 31.3 |
26 24 18 | 72 | 2900 | 7.5 |
| 80-200(1) |
70 100 130 |
19.4 27.8 36.1 |
54 50 42 |
65 74 73 | 2900 | 22 |
| 80-200(1)A |
65.4 93.5 121.6 |
18.2 26.0 33.8 |
47.5 44 37 |
67 73 72 | 2900 | 18.5 |
| 80-200(1)B |
61 87 113 |
16.9 24.2 31.4 |
41 38 32 | 71 | 2900 | 15 |
| 80-250(1) |
70 100 130 |
19.4 27.8 36.1 |
87 80 68 |
62 69 68 | 2900 | 37 |
| 80-250(1)A |
65.4 93.5 121.6 |
18.2 26.0 33.8 |
76 70 59.5 |
61 68 67 | 2900 | 30 |
| 80-250(1)B |
61 87 113 |
16.9 24.2 31.4 |
65 60 51 |
66 | 2900 | 22 |
| 80-315(1) |
70 100 130 |
19.4 27.8 36.1 |
132 125 114 |
55 66 67 | 2900 | 75 |
| 80-315(1)A |
66.5 95 123.6 |
18.5 26.4 34.3 |
119 113 103 |
55 66 67 | 2900 | 55 |
| 80-315(1)B |
63 90 117 |
17.5 25 32.5 |
106.6 101 92 | 65 | 2900 | 45 |
| 80-315(1)C |
58 82 107 |
16.1 22.8 29.7 |
90 85 76 | 63 | 2900 | 37 |
| 100-100 |
70 100 130 |
19.4 27.8 36.1 |
13.6 12.5 11 |
66 76 75 | 2900 | 5.5 |
| 100-100A |
62.6 89 116 |
17.4 47 32.2 |
11 10 8.8 |
64 74 74 | 2900 | 4 |
| 100-125 |
70 100 130 |
19.4 27.8 36.1 |
23.5 20 14 |
70 76 65 | 2900 | 11 |
| 100-125A |
62.6 89 116 |
17.4 24.7 32.2 |
19 16 11 |
68 74 63 | 2900 | 7.5 |
| 100-160 |
70 100 130 |
19.4 27.8 36.1 |
36.5 32 24 |
70 76 65 | 2900 | 15 |
| 100-160A |
65.4 93.5 121.6 |
18.2 26.0 33.8 |
32 28 21 |
68 74 67 | 2900 | 11 |
| 100-160B |
60.6 86.6 112.5 |
16.8 24.1 31.3 |
27 24 18 | 72 | 2900 | 7.5 |
| 100-200 |
70 100 130 |
19.4 27.8 36.1 |
54 50 42 |
65 74 73 | 2900 | 22 |
| 100-200A |
65.4 93.5 121.6 |
18.2 26.0 33.8 |
47.5 44 37 |
64 73 72 | 2900 | 18.5 |
| 100-200B |
61 87 113 |
16.9 24.2 31.4 |
41 38 32 | 71 | 2900 | 15 |
| 100-250 |
70 100 130 |
19.4 27.8 36.1 |
87 80 68 |
62 69 68 | 2900 | 37 |
| 100-250A |
65.4 93.5 121.6 |
18.2 26.0 33.8 |
76 70 59.5 |
61 68 67 | 2900 | 30 |
| 100-250B |
61 87 113 |
16.9 24.2 31.4 |
65 60 51 | 66 | 2900 | 22 |
| 100-315 |
70 100 130 |
19.4 27.8 36.1 |
132 125 114 |
55 66 67 | 2900 | 75 |
| 100-315A |
66.5 95 123.6 |
18.5 26.4 34.3 |
119 113 103 |
65 66 67 | 2900 | 55 |
| 100-315B |
63 90 117 |
17.5 25 32.5 |
106.6 101 92 | 65 | 2900 | 45 |
| 100-315C |
58 82 107 |
16.1 27.8 29.7 |
90 85 76 | 63 | 2900 | 37 |
| 100-350 |
60 100 120 |
16.7 27.8 33.3 |
153.6 150 142 |
72 57 74 | 2900 | 90 |
| 100-350A |
61 87 113 |
16.9 24.2 31.4 |
145.6 142 134 | 75 | 2900 | 75 |
| 100-350B |
58 82 107 |
16.1 22.8 29.7 |
138.6 135 127 | 75 | 2900 | 55 |
| 100-100(1) |
96 160 192 |
26.7 44.4 53.3 |
14 12.5 10 |
64 73 70 | 2900 | 11 |
| 100-125(1) |
96 160 192 |
26.7 44.4 53.3 |
24 20 14 |
62 74 69 | 2900 | 15 |
| 100-125(1)A |
84 140 168 |
23.3 39 46.7 |
20 17 12 |
64 72 68 | 2900 | 11 |
| 100-160(1) |
96 160 192 |
26.7 44.4 53.3 |
36 32 27 |
69 79 75 | 2900 | 22 |
| 100-160(1)A |
84 140 168 |
23.3 39 46.7 |
32 28 23.5 |
66 76 72 | 2900 | 18.5 |
| 100-200(1) |
96 160 192 |
26.7 44.4 53.3 |
53 50 45 |
69 79 78 | 2900 | 37 |
| 100-200(1)A |
84 140 168 |
23.3 39 46.7 |
48 45 40 |
64 74 73 | 2900 | 30 |
| 100-200(1)B |
60 100 120 |
16.7 27.8 33.3 |
43 40 36 | 72 | 2900 | 22 |
| 100-250(1) |
96 160 192 |
26.7 44.4 53.3 |
83 80 72 |
65 77 74 | 2900 | 55 |
| 100-250(1)A |
84 140 168 |
23.3 39 46.7 |
75 72 65 |
60 72 69 | 2900 | 45 |
| 100-250(1)B |
60 100 120 |
16.7 27.8 33.3 |
68 65 58 | 70 | 2900 | 37 |
| 125-100 |
96 160 192 |
26.7 44.4 53.3 |
13 12.5 12 | 82 | 2900 | 11 |
| 125-100A |
86 143 172 |
23.9 39.7 47.8 |
10.4 10 9.6 | 77 | 2900 | 7.5 |
| 125-125 |
96 160 192 |
26.7 44.4 53.3 |
22.6 20 9.6 | 80 | 2900 | 15 |
| 125-125A |
86 143 172 |
23.9 39.7 47.8 |
18 16 13.6 | 77 | 2900 | 11 |
| 125-160 |
96 160 192 |
26.7 44.4 53.3 |
36 32 28 | 78 | 2900 | 22 |
| 125-160A |
90 150 180 |
25 41.7 50 |
31.5 28 24.5 | 76 | 2900 | 18.5 |
| 125-160B |
83 138 166 |
21.7 38.3 46.1 |
27 24 21 | 73 | 2900 | 15 |
| 125-200 |
96 160 192 |
26.7 44.4 53.3 |
55 50 46 | 77 | 2900 | 37 |
| 125-200A |
90 150 180 |
25 41.7 50 |
48.4 44 40.5 | 76 | 2900 | 30 |
| 125-200B |
83 138 166 |
31.7 38.3 46.1 |
41.3 37.5 34.5 | 75 | 2900 | 22 |
| 125-250 |
96 160 192 |
26.7 4.4 53.3 |
87 80 73 | 75 | 2900 | 55 |
| 125-250A |
90 150 180 |
25 41.7 50 |
84 76 70 | 74 | 2900 | 45 |
| 125-250B |
83 138 166 |
21.7 38.3 46.1 |
65 60 55 | 73 | 2900 | 37 |
| 125-315 |
96 160 192 |
26.7 44.7 53.3 |
133 125 119 | 70 | 2900 | 90 |
| 125-315A |
90 150 180 |
25 41.7 50 |
117 110 104.6 | 70 | 2900 | 75 |
| 125-315B |
86 143 172 |
23.9 39.7 47.8 |
106.4 100 95.2 | 69 | 2900 | 75 |
| 125-315C |
80.5 134 161 |
22.4 37.2 44.7 |
96 88 86 | 67 | 2900 | 55 |
| 150-125 |
96 160 192 |
26.7 44.4 53.3 |
22.6 20 17 |
66 76 76 | 2900 | 15 |
| 150-125A |
90 150 180 |
25 41.7 50 |
18 16 13.6 | 77 | 2900 | 11 |
| 150-160 |
96 160 192 |
26.7 44.4 53.3 |
36 32 27 | 75 | 2900 | 22 |
| 150-160A |
90 150 180 |
25 41.7 50 |
32 28 23.5 | 76 | 2900 | 18.5 |
| 150-160B |
84 140 168 |
23.3 39 46.7 |
27 24 21 | 73 | 2900 | 15 |
| 150-200 |
140 200 260 |
38.9 55.6 72.2 |
13.8 12.5 10.6 |
68 78 78 | 1450 | 15 |
| 150-200A |
125 176 232.5 |
34.7 49.7 64.6 |
11 10 8.5 |
66 76 76 | 1450 | 11 |
| 150-200B |
110 160 207 |
31 44.4 57.6 |
9.2 8 6.8 | 75 | 1450 | 7.5 |
| 150-250 |
140 200 260 |
38.9 55.6 72.2 |
21.8 20 17 |
73 79 77 | 1450 | 18.5 |
| 150-250A |
129 184.4 240 |
35.8 51.2 66.7 |
18.5 17 14.4 |
72 78 76 | 1450 | 15 |
| 150-250B |
117 167 217.5 |
32.5 46.4 60.4 |
15.2 14 12 | 76 | 1450 | 11 |
| 150-315 |
140 200 260 |
38.9 55.6 72.2 |
33.8 32 28 |
70 78 73 | 1450 | 30 |
| 150-315A |
131 187 243 |
36.4 51.9 67.5 |
29.5 28 24.5 |
69 77 77 | 1450 | 22 |
| 150-315B |
121 173 225 |
33.5 48.1 62.5 |
25 24 21 | 76 | 1450 | 18.5 |
| 150-350 |
96 160 192 |
26.7 44.4 53.3 |
153.6 150 142.8 | 80 | 2900 | 110 |
| 150-350A |
90 150 180 |
25 41.7 50 |
145.6 142 134.8 | 70 | 2900 | 90 |
| 150-350B |
84 140 168 |
23.3 39 46.7 |
138.6 135 127.8 |
65 76 74 | 2900 | 75 |
| 150-400 |
140 200 260 |
38.9 55.6 72.2 |
53 50 44 |
68 75 71 | 1450 | 45 |
| 150-400A |
131 187 243 |
36.4 51.9 67.5 |
46.6 44 38.3 |
67 74 70 | 1450 | 37 |
| 150-400B |
122 174 226.5 |
33.9 48.3 62.9 |
40 38 33 | 73 | 1450 | 30 |
| 150-400C |
112 160 208 |
31.1 44.4 57.8 |
34 32 28 | 71 | 1450 | 22 |
| 150-250(1) |
120 200 240 |
33.3 55.6 66.7 |
87 80 72 |
65 76 74 | 2900 | 75 |
| 150-250(1)A |
112 187 224 |
31.1 51.9 62.2 |
76 70 63 |
64 75 73 | 2900 | 55 |
| 150-250(1)B |
104 173 208 |
28.9 48.1 57.8 |
65 60 54 |
63 74 72 | 2900 | 45 |
| 150-315(1) |
120 200 240 |
33.3 55.6 66.7 |
133 125 120 |
58 73 75 | 2900 | 110 |
| 150-315(10)A |
112 187 224 |
31.1 51.9 62.2 |
116 110 105 |
57 72 74 | 2900 | 90 |
| 150-315(1)B |
104 173 208 |
28.9 48.1 57.8 |
100 95 91 |
55 70 72 | 2900 | 75 |
我公司還生產消防泵。