大東海泵業(yè)無錫有限公司
銷售總部:江蘇無錫新吳區(qū)長江路21-1號創(chuàng)源大廈309
生產基地:無錫市東港鎮(zhèn)
銷售熱線:0510-82108358
銷售熱線:0510-82116911
聯系電話:13395114288
QQ: 2634113519


大東海泵業(yè)無錫有限公司
銷售總部:江蘇無錫新吳區(qū)長江路21-1號創(chuàng)源大廈309
生產基地:無錫市東港鎮(zhèn)
銷售熱線:0510-82108358
銷售熱線:0510-82116911
聯系電話:13395114288
QQ: 2634113519


大東海泵業(yè)無錫有限公司是一家專業(yè)的立式管道離心泵生產廠家。在客戶立式管道離心泵選型時,我公司水泵廠家會提供完善的立式管道離心泵型號、立式管道離心泵價格等售前服務,以供客戶參考,并且我水泵廠家能為客戶提供定制泵業(yè)產品的服務。本條產品資訊是關于立式管道離心泵ISG150-400C外形尺寸|重量|參數|價格的知識:

立式管道離心泵是非常常見的通用管道泵類產品,在實際生產生活當中經常會遇到。有時因為自己的泵房空間,或是出于安裝便利的考慮,在采購立式管道離心泵之前,想先了解一下自己要采購的管道泵產品具體安裝尺寸、參數、重量等信息,這是非常有必要的。
下面,我公司具體給大家列出立式管道離心泵ISG150-400C的詳細性能參數:
流量:160 M3/H;揚程:32 M;功率: 22 KW;轉速:1450 r/min;必須汽蝕余量:3.5 米
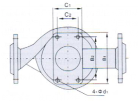
外形尺寸等詳見下表:

| 型號 |
L (mm) |
H (mm) |
h (mm) |
B1*C1 (mm) |
B2*C2 (mm) |
d 1 (mm) |
重量 (KG) |
| ISG150-400C | 800 | 965 | 200 | 300*250 | 260*210 | 22 | 370 |
立式管道離心泵供輸送清水及物理化學性質類似于清水的其他液體之用,適用于工業(yè)和城市給排水、高層建筑增壓送水、園林噴灌、消防增壓、遠距離送水、采暖、浴室等冷暖水循環(huán)增壓及設備配套,使用溫度80℃以下。
一、立式管道離心泵產品特點:
1. 立式管道離心泵結構緊湊、體積小、外形美觀、安裝占地面積小。
2.安裝方便,進出口徑相同并在同一中心線上,無需改變管路。
3.運行平穩(wěn)、噪音低、組件同心度高。
4.軸封采用硬質合金及碳化硅等耐磨材質機械密封,密封可靠、無泄漏。
5.維修方便,無需拆卸管道,只要拆下泵蓋螺母,取出電機及傳動組件即可進行檢修維護。
二、立式管道離心泵使用注意事項:
1.訂貨時請注明具體技術參數、使用工況以及使用介質特性,以便能為您選擇最合適的產品。
2.管道泵長期運行后,由于機械磨損,使機組噪音及振動增大時,應停機檢查,必要時需更換易 損件(機械密封與電機軸承),機組大修期一般為5000-8000小時。
3.90KW以上大功率管道泵,因穩(wěn)定性關系,不推薦使用立式管道泵。
4.長期不間斷使用此立式管道泵,推薦配備備用水泵,并用控制柜定時切換,以延長管道泵使用壽命。
5.此管道泵嚴禁長期處于低揚程狀態(tài)下運行,否則易使電機過載而燒毀。
三、立式管道離心泵價格,由于原材料市場價格會經常波動,人工及稅收政策常作調整,因此,如果您關心具體型號的立式管道離心泵價格,請聯系我公司業(yè)務人員,我們會做出詳細解答。
非常感謝您對大東海泵業(yè)無錫有限公司官方網站的訪問!以上是關于立式管道離心泵ISG150-400C外形尺寸|重量|參數|價格的介紹,如您對此問題還想深一步了解,或有其他泵業(yè)產品、水泵選型、水泵型號、水泵價格的問題需要解答,請聯系本水泵廠家,隨時歡迎您的咨詢。謝謝!